Дата обновления информации: 17.08.2023
Серия: 179S
Цена: по запросу ( Добавить в заказ )
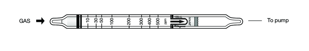
Индикаторные трубки Kitagawa №179S Ethyl Benzene Этилбензол 10..500 ppm

Описание
Kitagawa №179S Ethyl Benzene (Этилбензол) состоит из одной индикаторной трубки.
Принцип действия
колористическая индикаторная трубка.
Время измерения
2 мин./ход поршня.
| Диапазон измерения | 10..500 ppm |
|---|---|
| Число ходов поршня (n) (Объём пробы, мл) | 1 (100 мл) |
Назначение
Определение концентрации этилбензола в воздухе рабочей зоны.
Стандартное отклонение (в зависимости от концентрации/показаний)
Предел обнаружения
3 ppm (1n).
Принцип реакции
C6H5C2H5 + I2O5 + H2SO4 → I2
Изменение цвета
Белый → Коричневый.
Средний срок сохраняемости
18 мес.
Дополнительные сведения о веществе
Химическая формула
Этилбензол - C6H5C2H5; M 106,167
Класс опасности
4.
Значение ПДКврз
150 мг/м³/50 мг/м³.
Преобразование массовых концентраций в объёмные (20 °C, 101,3 кПа)
1 ppm = 0,23 мг/м³; 1 мг/м³ = 4,41 ppm (мл/м³); 1% об. = 0,23×10-4 мг/м³


